首 页 关于晶韩 企业文化 产品展示 厂房设备 品质政策 服务中心 客户留言 联系我们  
东莞电源插座
拨动开关
MINI拨动开关
轻触开关
按键开关
微动开关
船形开关
2.5 SMT耳机插座
3.5 SMT耳机插座
DC SMT电源插座
2.5 耳机插座
3.5 耳机插座
DC 电源插座
AV 同芯插座
USB插座
连接器
东莞电源插座
东莞电源插座
地 址:东莞市塘厦镇田心工业区
电 话:0769-87863986  
传 真:0769-87863036
联系人:陈先生/13631728588
E-mail:5572138@qq.com

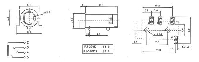
PJ-320D

型号:PJ-320D
技术指标:
使用温度范围 Temperature
-30~70℃
耐压 Withstand Voltage
AC500V(50Hz)/min
额定负荷 Rated Load
DC 30V 0.5A
动作力 Actuating Force
3~20N
接触电阻 Contact Resistance
≤0.03Ω
寿命 Life
5000次
绝缘电阻 Insulation Resistance
≥100MΩ
 
 

网站首页 | 关于我们 | 企业文化 | 产品展示 | 厂房设备 | 服务中心 | 客户留言 | 联系我们
公司名称: 东莞市晶韩电子有限公司
公司地址: 广东省东莞市塘厦镇田心工业区围仔路 晶韩客服QQ:5572138
Copyright 2005-2011 版权所有 粤ICP备16004958号